水中モータは、モータ全体を水またはその他の液体中に完全に浸漬した状態で使用されるモータで、その用途のほとんどがポンプ用として広く使用されております。
水中モータは、空気中で運転される一般のモータ(陸上モータ)と違って、電気絶縁方式、水潤滑軸受構造、軸シール構造、耐食性などの特別な配慮がなされております。
水封式水中モータ
水中モータとは
水中モータポンプの特長
水中モータポンプは、モータとポンプが一体構造となって全体を水、その他の液体中に浸漬した状態で運転されます。地上設置型のポンプ(陸上モータ駆動)と比較して以下のような特長を持っています。
- ポンプ場の設備費が安い
水源井戸またはピット内に据え付けられるので電気設備さえ確保できれば、特にポンプ室を設ける必要がなく、建屋などの地上設備を最小限に留めることができます。
また、省スペース化により土地の有効活用ができます。 - 騒音公害の心配がない
機械音やモータ運転音がほとんど水に吸収され、地上部へは振動、騒音がなく、住宅地内や夜間でも騒音公害の心配がありません。 - 運転、保守管理が容易
始動時に呼び水の必要がなく、軸受への給油などの手間もないため、自動運転が容易です。
定期的な点検、地上での電流と絶縁抵抗の測定を行うことにより、間接的に運転状態を把握できます。 - 吸込揚程の高い水の汲み上げが容易
水位が低くなった場合でも揚水管と給電ケーブルを延長するだけで容易に給水が可能です。 - 運転効率が高い
機械損失が少なく、かつ吐出管内の抵抗が少ないため、ポンプ効率が向上し、総合運転効率が高く消費電力が低減できます。 - 凍結の心配がない
水中に設置されているため、揚水全体が凍結しない限り、安定した運転ができます。
水中モータポンプの安定した運転を維持するためには、以下のような注意が必要です。
- 陸上(大気中)の運転は不可
モータ、ポンプとも周囲の水を冷却の媒体としていますので、気中運転を行いますと短時間に不具合を生じるおそれがあります。 - 環境条件の影響を受けやすい
水質、水位変動、砂などの周囲環境と据付条件の影響を受けやすく、事前の仕様の確認と、井戸等の設置場所の状態確認を必要とします。
構造(WSB-WA型)
モータ上部
モータ下部
機種一覧
製作範囲
| 種類 | 深井戸用 | 給水(一般用) | 河川用 |
|---|---|---|---|
| 一般家庭の深井戸用から噴水用・温泉用まで、もっとも幅広い用途にお応えするシリーズ。細かい切削孔にも適用できるスリムサイズです。 | ビルやマンションの給水用などで活躍するシリーズです。 | 河川からの大量取水などに威力を発揮する、超大型クラスのシリーズです。更に上水道、農業のかんがい用としても最適です。 | |
|
|
|
|
| 絶縁方式 | 耐水絶縁方式 | 耐水絶縁方式 | 耐水絶縁方式 |
| 形名 | WSB-WA | WST-N | WSS-N WSE-W |
| 標準適用出力 | 18.5kW以上2P 22kW以上4P |
18.5kW以上2P 5.5kW以上4P |
5.5kW以上4P WSE-W 30kW以上4P |
| 使用例 |
|
|
|
| 用途 |
|
|
|
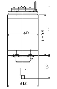
寸法表
WSB-WA形 M8
| 出力(kW) | 極数 | LL | LR |
|---|---|---|---|
| 18.5 | 2 | 967 | 72 |
| 22 | 2 | 1017 | 72 |
| 30 | 2 | 1087 | 92 |
| 37 | 2 | 1147 | 92 |
| 45 | 2 | 1217 | 92 |
(単位:mm)
WSB-WA形 M10
| 出力(kW) | 極数 | LL |
|---|---|---|
| 55 | 2 | 1344 |
| 75 | 2 | 1414 |
(単位:mm)
付属部品
| 付属品部品形名 | BWA-880 | BWA-800 | BWA-801 | BWA-820 | BWA-020 | |||
|---|---|---|---|---|---|---|---|---|
| 適用電動機形名 | WSB-WA(耐水絶縁電線方式) | |||||||
| 適用電動機枠番 | M8 | M10 | ||||||
| 適用ポンプ枠番 | P8 | P10 | P12 | P12 | ||||
| 付属部品 | 吸込 フレーム |
図番 | M770A 303H41 |
M770A 304H41 |
M770A 343H40 |
M770A 344H40 |
M770A 302H41 |
|
| 寸法 | D1 | 180 | 220 | 220 | 260 | 260 | ||
| D2 | 130H7 | 170H7 | 170H7 | 200H7 | 200H7 | |||
| D3 | 120 | 150 | 150 | 185 | 185 | |||
| D4 | 155 | 195 | 195 | 230 | 230 | |||
| H | 185±0.1 | 170±0.1 | 190±0.1 | 240±0.1 | 240±0.1 | |||
| C | 15 | 18 | 18 | 22.5 | 22.5 | |||
| F | 4 | 4 | 4 | 7 | 7 | |||
| d | 12 | 15 | 15 | 19 | 19 | |||
| A | 76 | 95 | 94 | 117 | 117 | |||
| A′ | 90 | 110 | 110 | 130 | 130 | |||
| B | 25 | 25 | 25 | 31 | 31 | |||
| スト レーナ |
図番 | M779C 000H01 |
M779C 001H01 |
M779C 063H01 |
M779C 003H01 |
M779C 003H01 |
||
| 寸法 | h | 6 | 6 | 9.5 | 9.5 | 9.5 | ||
| s | 255 | 340 | 390 | 490 | 490 | |||
| リード 押え |
図番 | M956D 024H01 |
M956D 024H01 |
M956D 024H01 |
M956D 025H01 |
M956D 025H01 |
||
| カップ リング |
図番 | M796D 113H01 |
M796D 114H01 |
M796D 115H01 |
M796D 116H01 |
M796D 118H01 |
||
| 寸法 | d1 | 25H8 | 31.5H8 | 31.5H8 | 38H8 | 38H8 | ||
| d2 | 42 | 52 | 52 | 62 | 62 | |||
| L1 | 93 | 107 | 130 | 189 | 179 | |||
| L2 | 58 | 72 | 72 | 131 | 121 | |||
| c | 7E9 | 10E9 | 10E9 | 12E9 | 12E9 | |||
| e | 28.5+0.1 0 |
35.5+0.1 0 |
35.5+0.1 0 |
42+0.1 0 |
42.5+0.1 0 |
|||
| a | 27.5 | 30 | 30 | 40 | 40 | |||
| b | 2×M6 | M8 モートル側 M6 |
2×M8 | 2×M8 | 2×M8 | |||
| 小ねじ 類 |
ストレーナ用 | SUSP ナベねじ M5×12 SUSバネ 座金5 |
SUSP ナベねじ M5×12 SUSバネ 座金5 |
SUSP ナベねじ M5×12 SUSバネ 座金5 |
SUSP ナベねじ M6×12 SUSバネ 座金6 |
SUSP ナベねじ M6×12 SUSバネ 座金6 |
||
| リード押え用 | SUSP ナベねじ M5×8 |
SUSP ナベねじ M5×8 |
SUSP ナベねじ M5×8 |
SUSP ナベねじ M5×8 |
SUSP ナベねじ M5×8 |
|||
| カップ リング用 |
SUS穴角 穴付止めねじ M6×6、M6×6 |
SUS穴角 穴付止めねじ M8×8、M6×10 |
SUS穴角 穴付止めねじ M8×8、M8×8 |
SUS穴角 穴付止めねじ M8×8、M8×12 |
SUS穴角 穴付止めねじ M8×8、M8×8 |
|||
| 吸込フレーム 取付用 |
SUSナット M12 |
SUSナット M12 |
SUSナット M12 |
SUSナット M12 |
SUSナット M16 |
|||
| 旧WSB-N形 との互換性 |
旧外形図 番号 |
Z989660-B | Z989661-B | Z989663-C | Z989664-C | Z989666-D | ||
| 標準適用 出力(旧) |
18.5kW | 22kW | 26kW、 30kW |
37kW | 45kW、 55kW、 75kW |
|||
WST-N
| 出力(kW) | 極数 | D | LC | LL | L | LR |
|---|---|---|---|---|---|---|
| 5.5 7.5 |
4 4 |
217 | 217 | 755 | 695 | 95 |
| 11 18.5 |
4 2 |
217 | 217 | 815 | 755 | 95 |
| 15 22 |
4 2 |
217 | 217 | 865 | 805 | 95 |
| 18.5 22 |
4 4 |
263 | 263 | 865 | 805 | 135 |
| 30 37 |
2 2 |
263 | 263 | 965 | 905 | 135 |
| 30 37 45 55 |
4 4 2 2 |
263 | 263 | 1065 | 1005 | 135 |
(単位mm)
WSS-N
| 出力(kW) | 極数 | D | LC | LL | L | LR |
|---|---|---|---|---|---|---|
| 5.5 7.5 |
4 4 |
217 | 217 | 791 | 720 | 135 |
| 11 15 18.5 22 |
4 4 2 2 |
217 | 217 | 871 | 800 | 135 |
| 18.5 22 30 37 |
4 4 2 2 |
263 | 263 | 1041 | 960 | 170 |
| 30 37 45 55 |
4 4 2 2 |
263 | 263 | 1141 | 1060 | 170 |
(単位mm)
WSE-W
| 枠番号 | D | LL | L | LR |
|---|---|---|---|---|
| WS180S | 345 | 1190 | 1030 | 355 |
| WS180L | 345 | 1440 | 1280 | 355 |
| WS200S | 400 | 1350 | 1175 | 415 |
| WS200L | 400 | 1560 | 1385 | 415 |
| WS225S | 430 | 1420 | 1225 | 420 |
| WS225L | 430 | 1645 | 1450 | 420 |
| WS250S | 480 | 1670 | 1450 | 495 |
| WS250L | 480 | 1920 | 1700 | 495 |
| WS280S | 540 | 1760 | 1510 | 515 |
| WS280L(注1) | 540 | 2050 | 1800 | 515 |
(単位mm)
(注1)枠番号WS280Lの製品については御相談ください。