直流モータ
主な用途
電力プラントや自家用発電機向けに下記の用途で使われるモータです。
- 非常用油ポンプ用
- 非常用密封油ポンプ用
- FWPT非常用油ポンプ用
- フレームスキャナ冷却ファン用
- ターニングモータ 等
仕様
| モータ形名 |
|
|---|---|
| 電源 | 直流バッテリー電源 100V級:100V、110V、125V ※200V級に関してはご相談ください。 |
| 外被構造 | 全閉外扇形 (屋内形、屋外形) |
| 保護方式 | IP44、IP54、IP55 |
| 準拠規格 | JEC-2120、IEC60034-1 |
| 電周囲温度 | -10~40℃ |
| 時間定格 | 連続 |
| 耐熱クラス | F (Bライズ対応可) |
| 極数 | 4P (全枠番) |
SDN-EFZ 全閉外扇形
枠番号 160L
| 電源 | 出力(kw) | 回転速度(r/min) |
|---|---|---|
| DC100V級 (100V、110V、125V) |
1.5 | 1200/1500/1800/3000/3600 |
| 2.2 | 1200/1500/1800/3000/3600 | |
| 3.7 | 1800/3000/3600 | |
| 5.5 | 3000/3600 |
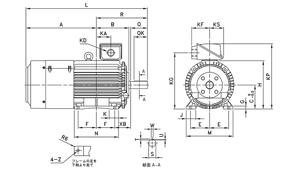
| 寸法 | |||||||||
|---|---|---|---|---|---|---|---|---|---|
| A | B | C | E | F | G | H | J | K | KA |
| 438.5 | 222 | 160 | 127 | 127 | 20 | 322.5 | 55 | 60 | 107.5 |
| KD | KF | KG | KP | KS | L | M | N | XB | Z |
| PF1 | 99 | 373.5 | 427.5 | 75 | 783.5 | 310 | 304 | 108 | Ø15 |
| Q | QK | R | S | S公差 | T | U | W | ||
| 110 | 90 | 345 | Ø48 | h6 | 8 | 4.5 | 12 | ||
※電圧・回転数の組合せによっては表記の枠番号と異なる場合があります。
枠番号 180L
| 電源 | 出力(kw) | 回転速度(r/min) |
|---|---|---|
| DC100V級 (100V、110V、125V) |
2.2 | 1000 |
| 3.7 | 1000/1200/1500 | |
| 5.5 | 1500/1800 | |
| 7.5 | 1800/3000/3600 |
| 寸法 | |||||||||
|---|---|---|---|---|---|---|---|---|---|
| A | B | C | E | F | G | H | J | K | KA |
| 474 | 246 | 180 | 139.5 | 139.5 | 22 | 366.5 | 70 | 70 | 125 |
| KD | KF | KG | KP | KS | L | M | N | XB | Z |
| PF1 1/2 |
99 | 417.5 | 471.5 | 75 | 844.5 | 350 | 338 | 121 | Ø15 |
| Q | QK | R | S | S公差 | T | U | W | ||
| 110 | 90 | 370.5 | Ø55 | m6 | 10 | 5 | 15 | ||
※電圧・回転数の組合せによっては表記の枠番号と異なる場合があります。
※200V級に関してはご相談ください。
枠番号 200L
| 電源 | 出力(kw) | 回転速度(r/min) |
|---|---|---|
| DC100V級 (100V、110V、125V) |
5.5 | 1000/1200 |
| 7.5 | 1000/1200/1500 | |
| 11 | 1500/1800/3000/3600 |
| 寸法 | |||||||||
|---|---|---|---|---|---|---|---|---|---|
| A | B | C | E | F | G | H | J | K | KA |
| 587.5 | 270.5 | 200 | 159 | 152.5 | 25 | 403 | 80 | 78 | 120 |
| KD | KF | KG | KP | KS | L | M | N | XB | Z |
| PF2 | 160 | 469 | 549 | 98 | 1013 | 390 | 369 | 133 | Ø19 |
| Q | QK | R | S | S公差 | T | U | W | ||
| 140 | 112 | 425.5 | Ø60 | m6 | 10 | 5 | 15 | ||
※電圧・回転数の組合せによっては表記の枠番号と異なる場合があります。
※200V級に関してはご相談ください。